Редукторы червячные одноступенчатые Ч-80, Ч-100, Ч-125, Ч-160

Ряд червячных редукторов Ч-80, Ч-100, Ч-125, Ч-160 обеспечивает крутящие моменты на тихоходном валу 85—2000 Н-м в диапазоне передаточных чисел 8—80. Корпусные детали червячных редукторов для улучшения отвода тепла снабжаются ребрами, которые охлаждаются посредством вентилятора. Вентилятор одет на второй конец входного вала и защищен специальным кожухом. Редукторы допускают кратковременные перегрузки, в 2 раза превышающие номинальные и возникающие во время пусков и остановок двигателя. Геометрические параметры зацепления цилиндрической червячной пары с эвольвентным червяком приняты по ГОСТ 2144—76, исходный червяк — по СТ СЭВ 266—76. Выходные концы червячных валов конические по ГОСТ 12081—72. По требованию заказчика возможна установка цилиндрического выходного вала. Редукторы могут работать при шести различных расположениях червячной пары в пространстве. В зависимости от взаимного расположения выходных концов валов редукторы изготовляются по вариантам сборки 51, 52, 53 и 56 в соответствии с ГОСТ 20373—74. Уровень масла контролируют стержневым маслоуказателем, одновременно выполняющим роль отдушины, или пробкой. Роль отдушины в больших редукторах выполняет пробка, расположенная в верхней части корпуса; через верхнее отверстие, закрываемое этой пробкой, заливают масло.
Цена: от 12 300 руб.
Базовые условия использования червячного редуктора:
- Червячный редуктор рассчитан на использование в условиях постоянный и переменной нагрузки, характер нагрузки – одного направления/реверсивная;
- В зависимости от условий использования выбирается и режим работы редуктора: постоянный или с периодическими остановками;
- Температурные условия среды: от -40°С до +50°С; среда неагрессивная, невзрывоопасная;
- Вал устройства вращается в оба направления.
Общее описание:




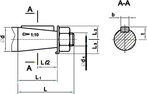
РИС 1. Габаритные и присоединительные размеры
Технические характеристики червячного редуктора Ч-100 - Ч160
| Обознач. размеров | Тип редуктора | Обознач. размеров | Тип редуктора | ||||
|---|---|---|---|---|---|---|---|
| Ч-100 | Ч-125 | Ч-160 | Ч-100 | Ч-125 | Ч-160 | ||
| aw | 100 | 125 | 160 | h1 | 18 | 22 | 30 |
| L | 373 | 437 | 551 | h2 | 179 | 217 | 271 |
| L1 | 240 | 275 | 350 | D | 140 | 165 | 100 |
| L2 | 200 | 230 | 300 | D1 | 220 | 275 | 340 |
| L3 | 125 | 146 | 195 | D2 | 150 | 170 | 210 |
| L4 | 177 | 210 | 245 | B | 341 | 363 | 434 |
| L5 | 225 | 261 | 345 | B1 | 175 | 230 | 280 |
| L6 | 257 | 290 | 373 | B2 | 140 | 190 | 230 |
| 1 | 40 | 45 | 70 | В3 | 155 | 135 | 165 |
| d | 19 | 19 | 22 | В4 | 450 | 460 | 560 |
| b | 45 | 60 | 70 | B5 | 225 | 230 | 280 |
| Н | 312 | 396 | 500 | В6 | 218 | 246 | 286 |
| h | 100 | 111 | 140 | В7 | 217 | 242 | 278 |
Примечание: Редукторы червячные Ч100 – Ч160 по умолчанию комплектуются коническими входными/выходными валами. Возможно также цилиндрическое исполнение входного/выходного вала, подробности такой модификации уточняются в ходе оформления заказа.
| Тип | Выходные концы валов | L | L 1 | L2 | L3 | b | d | d1 | t | m | |
|---|---|---|---|---|---|---|---|---|---|---|---|
| Ч-100 | конические | Вал быстроходный | 80 | 58 | 24 | 18 | 6 | 32 | M20xl,5-8g | 17,05 | - |
| Ч-125 | 80 | 58 | 24 | 18 | 6 | 32 | M20xl,5-8g | 17,05 | - | ||
| Ч-160 | 110 | 82 | 28 | 20 | 10 | 40 | M24x2- 8g | 20,95 | - | ||
| Ч-100 | Вал тихоходный | 110 | 82 | 32 | 25 | 12 | 45 | М30х2- 8g | 23,45 | - | |
| Ч-125 | 110 | 82 | 38 | 30 | 14 | 55 | МЗбх3 -8g | 28,95 | - | ||
| Ч-160 | 140 | 105 | 50 | 40 | 18 | 70 | М48х3- 8g | 36,38 | - | ||
| Ч-100 | цилиндрические | Вал быстроходный | 80 | - | - | - | 10 | 32 | - | 35 | - |
| Ч-125 | 80 | - | - | - | 10 | 32 | - | 35 | - | ||
| Ч-160 | 110 | - | - | - | 12 | 40 | - | 43 | - | ||
| Ч-100 | Вал тихоходный | 110 | - | - | - | 14 | 45 | - | 48,5 | - | |
| Ч-125 | 110 | - | - | - | 16 | 55 | - | 59 | - | ||
| Ч-160 | 140 | - | - | - | 20 | 70 | - | 74,5 | - | ||
| Ч-100 | Вал полый шлицевой | 205 | 90 | 57.5 | - | - | 45 | 46 | 2 | ||
| Ч-125 | 230 | 110 | 60 | - | - | 55 | 60 | 2,5 | |||
| Ч-160 | 275 | 130 | 72.5 | - | - | 70 | 72 | 2,5 | |||
ТАБЛ 1. Габаритные и присоединительные размеры

| U ном. | Ч-100 | Ч-125 | Ч-160 | ||||||||||||||||||
|---|---|---|---|---|---|---|---|---|---|---|---|---|---|---|---|---|---|---|---|---|---|
| U фак. | 1500 мин.-1 | 1000 мин.-1 | 750 мин.-1 | U фак. | 1500 мин.-1 | 1000 мин.-1 | 750 мин.-1 | U фак. | 1500 мин -1 | 1000 мин.-1 | 750 мин.-1 | ||||||||||
| Мт Н.м | ? | Мт Н.м | ? | Мт Н.м | ? | Мт Н.м | ? | Мт Н.м | ? | Мт Н.м | ? | Мт Н.м | ? | Мт Н.м | ? | Мт Н.м | ? | ||||
| 8 | 7,75 | 380 | 0,93 | 426 | 0,92 | 477 | 0,91 | 8 | 659 | 0,93 | 758 | 0,92 | 826 | 0,91 | 8 | 1250 | 0,94 | 1400 | 0,93 | 1567 | 0,92 |
| 10 | 10 | 367 | 0,93 | 410 | 0,91 | 460 | 0,90 | 10 | 636 | 0,93 | 712 | 0,92 | 800 | 0,91 | 10,5 | 1153 | 0,93 | 1294 | 0,92 | 1450 | 0,91 |
| 12,5 | 12 | 374 | 0,92 | 420 | 0,90 | 470 | 0,89 | 13 | 626 | 0,92 | 700 | 0,91 | 785 | 0,89 | 13 | 1150 | 0,93 | 1290 | 0,91 | 1440 | 0,90 |
| 16 | 15,5 | 392 | 0,89 | 440 | 0,87 | 492 | 0,85 | 16 | 676 | 0,89 | 757 | 0,87 | 850 | 0,86 | 16 | 1390 | 0,91 | 1557 | 0,89 | 1743 | 0,88 |
| 20 | 20 | 389 | 0,87 | 414 | 0,85 | 464 | 0,83 | 20 | 653 | 0,88 | 730 | 0,86 | 820 | 0,84 | 21 | 1150 | 0,88 | 1290 | 0,86 | 1442 | 0,84 |
| 25 | 24 | 372 | 0,87 | 417 | 0,84 | 466 | 0,83 | 25 | 616 | 0,87 | 690 | 0,84 | 772 | 0,82 | 26 | 1110 | 0,87 | 1243 | 0,85 | 1392 | 0,83 |
| 31,5 | 31 | 400 | 0,70 | 448 | 0,66 | 500 | 0,63 | 32 | 800 | 0,81 | 890 | 0,78 | 1000 | 0,75 | 32 | 1600 | 0,83 | 1790 | 0,82 | 2000 | 0,79 |
| 40 | 40 | 387 | 0,78 | 433 | 0,74 | 485 | 0,71 | 40 | 692 | 0,79 | 715 | 0,76 | 870 | 0,73 | 42 | 1244 | 0,79 | 1360 | 0,76 | 1522 | 0,73 |
| 50 | 48 | 389 | 0,77 | 436 | 0,73 | 488 | 0,71 | 52 | 640 | 0,77 | 717 | 0,73 | 803 | 0,70 | 52 | 1168 | 0,73 | 1310 | 0,74 | 1465 | 0,71 |
| 63 | 64 | 313 | 0,69 | 350 | 0,64 | 396 | 0,60 | 60 | 610 | 0,76 | 683 | 0,71 | 765 | 0,68 | 66 | 1033 | 0,74 | 1157 | 0,70 | 1295 | 0,66 |
| 80 | 84 | 292 | 0,69 | 327 | 0,61 | 366 | 0,58 | 84 | 525 | 0,69 | 590 | 0,63 | 660 | 0,60 | 78 | 1092 | 0,74 | 1223 | 0,69 | 1370 | 0,64 |
| Консольная нагрузка | Рб; Н | 800 | 1200 | 1600 | |||||||||||||||||
| Рт; Н | 5500 | 8000 | 11000 | ||||||||||||||||||
| Уровень звука | ДБА | 80 | 80 | 80 | |||||||||||||||||
| Масса | кг | 57 (44) | 88 | 157 | |||||||||||||||||
где:
- U ном; U фак.- значения номинального и фактического передаточного числа;
- 1500мин-1; 1000мин-1; 750мин-1- величина частоты вращения вала;
- Мт – максимально допускаемый крутящий момент, Н•м;
- ? – КПД;
- Рб – консольная нагрузка, которая приходится на середину шейки быстроходного вала, Н;
- Рт – консольная нагрузка, которая приходится на середину шейки тихоходного вала, Н;
- В скобках приведена масса редуктора, заключенного в алюминиевый корпус.
Пример условного обозначения редуктора в заказе:
Редуктор Ч-100-40-51-У3-В или Ч-160-20-52-Т, где:
- Ч — тип редуктора;
- 100 и 160 — межосевое расстояние, мм.;
- 40 и 20 — номинально передаточное число;
- 51 и 52 — вариант исполнения сборки;
- У3 и Т — климатическое исполнение и категория размещения;
- В — поставка редуктора с вентилятором (для режима работы — 1)