Редуктор червячный одноступенчатый Ч-80

Червячный редуктор Ч-80 является высокоэффективным оборудованием, которое может работать как с перерывами, так и постоянно на протяжении заданного промежутка времени (максимально – 24ч/сут). Особенностью механизма является его износостойкость и одинаковая эффективность работы при вращении валов в обе стороны. К редуктору прилагается вся необходимая документация, облегчающая его установку и отвечающая на наиболее часто возникающие вопросы пользователей. При правильной эксплуатации оборудования срок его использования значительно продлевается.
Цена: от 9 700 руб.
Базовые условия использования червячного редуктора:
- Устройство адаптировано для работы в условиях переменной и постоянной нагрузки (одного направления/реверсивная);
- Эксплуатация предполагается в постоянном режиме – не более 24 ч/сут или с периодическими остановками;
- Вал редуктора рассчитан на вращение в обе стороны, частота не выше 1800об/мин.;
- Характер атмосферы: I и II (ГОСТ 15150-69), запыленность окружающего воздуха не должна превышать 10 мг/м.куб.;
- Климатич. варианты исполнения: У,Т – категории размещения 1-3 , а также исполнения УХЛ/О - категория размещения 4 (ГОСТ 15150-69).
Общее описание:




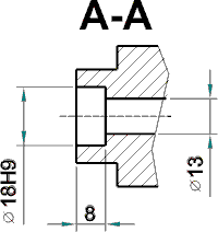
РИС 1.
Габаритные и присоединительные размеры

РИС 2.
Варианты сборки редукторов и расположения червячной пары

РИС 3.
Варианты расположения лап (1-без лап; 2-5 расположение лап по плоскостям)
Технические характеристики червячного редуктор Ч-80
| Номинальные передаточные числа Uном. | Значения допустимых крутящих моментов на выходном валу, к.п.д. и термической мощности при частоте вращения входного вала n, об/мин. | Допускаемая консольная нагрузка на вале , Н | |||||||||
|---|---|---|---|---|---|---|---|---|---|---|---|
| 750 | 1000 | 1500 | входном | выходном | |||||||
| Мт, Н м | h | Nт, квт | Мт, Н м | h | Nт, квт | Мт, Н м | h | Nт, квт | |||
| 8,0 | 280 | 0,89 | 3,1 | 250 | 0,90 | 3,6 | 212 | 0,91 | 4,6 | 500 | 4000 |
| 10,0 | 250 | 0,88 | 2,2 | 224 | 0,89 | 2,6 | 190 | 0,90 | 3,4 | ||
| 12,5 | 250 | 0,86 | 1,8 | 230 | 0,87 | 2,2 | 195 | 0,89 | 2,8 | ||
| 16,0 | 280 | 0,83 | 1,7 | 250 | 0,85 | 1,9 | 218 | 0,86 | 2,5 | ||
| 20,0 | 243 | 0,79 | 1,2 | 224 | 0,81 | 1,5 | 195 | 0,84 | 1,9 | ||
| 25,0 | 243 | 0,78 | 1,0 | 224 | 0,79 | 1,2 | 195 | 0,83 | 1,5 | ||
| 31,5 | 300 | 0,72 | 1,1 | 280 | 0,75 | 1,0 | 250 | 0,78 | 1,7 | ||
| 40,0 | 243 | 0,67 | 0,7 | 218 | 0,71 | 0,9 | 195 | 0,73 | 1,1 | ||
| 50,0 | 243 | 0,65 | 0,6 | 230 | 0,66 | 0,8 | 206 | 0,71 | 0,9 | ||
| 63,0 | 224 | 0,60 | 0,5 | 212 | 0,62 | 0,6 | 190 | 0,64 | 0,8 | ||
| 80,0 | 200 | 0,55 | 0,4 | 190 | 0,58 | 0,5 | 175 | 0,61 | 0,6 | ||
Пример условного обозначения при заказе
Редуктор Ч-80-40-52-1-2 ВУЗ, ТУ2-056-181-79, что означает:
редуктор червячный одноступенчатый универсальный типа Ч с межосевым расстоянием 80 мм, номинальным передаточным числом 40, вариантом сборки 52, с расположением червяка под колесом (вариант 1 по расположению червячной пары), вариантом установки с лапами 2, с вентилятором В, климатическом исполнении У, категорией размещения 3.